Схема стабилизатора напряжения на lm 1084 - найдено 60 изображений

Найдено изображений: 60

Схема стабилизатора напряжения на lm 1084
15 Volt 3A Regulated Power Supply Circuit Using LM1084 IC
5 LT1083cp linear regulated DC power supply board 2.5-12-24-30V high-power Adjus
6. Высококачественный звуковой усилитель для компьютера Техническая библиотека l
CHIPINFO - принципиальные схемы электронных устройств.
Elérhető mész magasság psu 12v 5v Emelkedő részvény Állapot
Fixed 5V regulator circuit LM1084 - Electrical Engineering Stack Exchange
hierarchie pásť kura lm1084 3.3v power supply design zahrnúť zatknúť výstredný
K215 квадро унч
LM1084 Datasheet Meta Search
LM1085IS-ADJ integrated circuit components Integrated Circuit Chip 3A Low Dropou
LM1086IT Стабилизатор 3,3 V 1,5 А - RadioMart.kz - Робототехника и радиодетали
LT1083 выход 3,3-9 в 10-30 в регулируемая плата источника питания постоянного то
Lt1083ct характеристики схема подключения - Фото подборки 2
LT1084 Фильтр АКПП с прокладкой LYNXauto Запчасти на DRIVE2
Lusya Наборы для самостоятельной сборки LT1083cp Высокомощное регулируемое линей
LV1084 20V / 5A Dual Controlled Linear Power Supply Module - Audiophonics
Regulacja prądu 0,020A-5A i napięcia układem LM338T - jak to zrobić?
Simple 12V 5A Power Supply Regulator Circuit Diagram
Бесплатная доставка готовый продукт LM317 плата блока питания с регулируемым нап
БК Multitronics TC740 или лечим повышенное напряжение - Hyundai Accent (2G), 1,5
Блок питания 1,2-24в\3а - Сообщество "Электронные Поделки" на DRIVE2
Блок питания для пары усилителей TPA3110 PBTL (mono) - Страница 2 - Форум радиол
Блок питания для пары усилителей TPA3110 PBTL (mono) - Форум радиолюбителей
Блок питания своими руками (все схемы): регулируемый, лабораторный трансформатор
Ввк ресивер
Да будет свет - Volkswagen Golf Mk4, 1,4 л, 2000 года электроника DRIVE2
Доработка активной 5.1 акустики Microlab A-H500D - DRIVE2
как к дс дс подключить КИТАЙСКИЙ вольтметр -амперметр на вход и на выход: 2 тыс
Контент Borodach - Страница 901 - Форум по радиоэлектронике
Контент esegan72 - Страница 2 - Форум по радиоэлектронике
Контент fabrickijalex - Страница 2 - Форум по радиоэлектронике
Контент krasher - Страница 3 - Форум по радиоэлектронике
Контент КММ - Страница 4 - Автомобильный Портал oktja.ru
Купить AZ1084CD-3.3 5A 3.3V Линейный стабилизатор напряжения AZ1084CD-3.3E1
Купить AZ1084T-ADJ, 5A, TO-220, каталог и цены на стабилизаторы напряжения
Ламповые усилители реальность и иллюзии - Форум onliner.by
Линейные стабилизаторы напряжения с высоким КПД
Линейный стабилизатор напряжения с регулировкой на LM317 и NPN транзисторе
Неполадки С Исн Lt1084 , Подскажите Что Делать! - Аналоговые блоки питания и ста
Ответы Mail.ru: LT1083СТ уходит в защиту ниже 10в с нагрузкой. В чём проблема?
Ответы Mail.ru: Дайте схему ЛБП 35 вольт 5-10 ампер
Ответы Mail.ru: Кренка LD1084V в блоке питания регулирует напряжение от 1 до 13
Ответы Mail.ru: Соединение стабилизатора напряжение lm317 для повышения выходног
Ответы Mail.ru: что это за элемент радиотехники
Перейти на страницу с картинкой
Пожалуйста дайте схему управления стабилизатораLd1084v - Форум KAZUS.RU
Пропали 5V на сенсорах педали и дросселя - Технический - Isuzu & Opel 4x4 Club
Регулируемые стабилизаторы напряжения и тока LM317 и LM337
Регулятор Напряжения Бп - Питание - Форум по радиоэлектронике
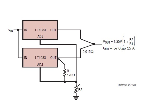
Стабилизатор напряжения на LT1083 (+). Diy electronics, Electronics, Power
Стабилизатор напряжения стоп/габарит - DRIVE2
Стабилизатор питания на авто до 15 Ампер. - DRIVE2
Стабилизированный блок питания для УМЗЧ
Студопедия - Простой импульсный блок питания на ИМС
Схема блока питания светодиодного модуля на 12в - DRIVE2
Схема изготовления стабилизатора на 12в: линейный стабилизатор своими руками
Схемы стабилизаторов тока для светодиодов на транзисторах и микросхемах Полезное
Установка дневных ходовых огней (ДХО) - Страница 26 - Форум Ниссан Альмера. Niss
Форум РадиоКот :: Просмотр темы - DC-DC V5 На основе LM1084it-5.0