Схема часов 7231 на микросхеме умс 07 - найдено 60 изображений

Найдено изображений: 60

Схема часов 7231 на микросхеме умс 07
"СТАРТ 7231 ЧАСЫ-БУДИЛЬНИК ЭЛЕКТРОННЫЕ" - Форум про радио
"СТАРТ 7231 ЧАСЫ-БУДИЛЬНИК ЭЛЕКТРОННЫЕ" - Форум про радио
Index of /robotron/misc/Elektronika-Uhren
IVL2-7/5 дисплей часы частотно-регулируемого привода + KA1016HL1 чип драйвер Сов
Radiotech modding labs: Часы сувенир Сатир СССР ремонт
Автомобильное зеркало со встроенными часами - Схема-авто - поделки для авто свои
Блок Индикации Маяк 242C - Страница 2 - Разное - Форум по радиоэлектронике
ИЛЦ3-5/7 VFD Индикатор для программируемого таймера часов - лот из 5 штук на Меш
Инструкция по эксплуатации часов электроника Drop leaf table, Table plans, Colon
Контент alexon - Страница 9 - Форум по радиоэлектронике
Контент Belorusgomel - Страница 27 - Форум по радиоэлектронике
Контент vg155 - Страница 31 - Форум по радиоэлектронике
Кр145ик1901
Маленькое хобби. Два раза (оживляем раритеты) - ЯПлакалъ
между разрядами часов и Часы, Электроника
Мелодичный квартирный звонок " Паятель.Ру - Все электронные схемы
Музыкальный звонок (три мелодии) (012) пакет
Набор радиоэлектронный "Старт 2039 часы-будильник электронные, блочные": электро
Наручные часы Casio A-158. Назад в молодость - ностальгии пост
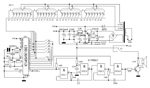
Настенные часы на микросхеме К145ИК1901 " S-Led.Ru - Светодиоды и электронные сх
Ностальгия по часам Montana или новый проект музыкального синтезатора-Часть 2 -
Ответы Mail.ru: Часы на ИК1901. Обмотка питающая микруху через 1МОм, что за хими
Перейти на страницу с картинкой
Простые электронные часы на микросхеме КА1035ХЛ1 " Вот схема! - Электронные схем
РА-41: записи сообщества ВКонтакте
Радио Схемы - Устройства
Радиоконструктор "Старт 7231" Кое-Что О Слонах
Стабилизатор тока для УМС7-08 ? Да ну бросьте Вы - всё куда проще! ДимониКА - Di
Стр. 30 журнала "Радио" № 11 за 1987 год (крупно)
Схема автомобильных часов и будильника на микросхеме КР1006ВИ1 Будильник, Часы,
Схема авточасов " Страница 3 " S-Led.Ru - Светодиоды и электронные схемы
схема от одного из Электроника и Часы
Схема часов на ин 14: часы на газоразрядных индикаторах и arduino своими руками
Схемы часов ссср
Таймер
таймер " Страница 3 " S-Led.Ru - Светодиоды и электронные схемы
Установка текущего времени производится нажатием на соответствующие кнопки, а дл
Форум РадиоКот * Просмотр темы - Откуда схема?
Форум РадиоКот * Просмотр темы - Старт 7176 в новой ПП
Форум РадиоКот * Просмотр темы - Старт 7176 в новой ПП
Форум РадиоКот * Просмотр темы - Часы на газоразрядных индикаторах
Форум РадиоКот * Просмотр темы - Часы на газоразрядных индикаторах
Форум РадиоКот * Просмотр темы - Часы на газоразрядных индикаторах
Форум РадиоКот * Просмотр темы - Часы на К176ИЕ18-ИВ-22
Форум РадиоКот * Просмотр темы - Часы на КР145ИК1901 и ИВЛ2-7/5
Форум РадиоКот * Просмотр темы - Часы на люминесцентных индикаторах.
Форум РадиоКот * Просмотр темы - Часы на люминесцентных индикаторах.
Форум РадиоКот * Просмотр темы - Часы Электроника 13.11, 1987 г.в. Точность хода
Форум РадиоКот :: Просмотр темы - Часы на КР145ИК1901 и ИВЛ2-7/5
Часы, которые не тикают.
Электрическая схема микросхемы: найдено 89 изображений
Электроника зап 01эч схема
Электронные музыкальные звонки на УМС-7 (8). Начинающему радиолюбителю простые с
Электронные музыкальные звонки на УМС-7 (8). Начинающему радиолюбителю простые с
Электронные новости от Мастер Кит (tech.masterkit) : Рассылка : Subscribe.Ru
Электронные Часы - Разное - Форум по радиоэлектронике
Электронные часы на ИМС
Электронные часы электроника 2 08 схема Электронная схема, Часы, Электроника
Электронный конструктор старт 7176 электронные часы - MrPen.ru

Смотрите также