Предохранитель дальнего света на кайрон - найдено 29 изображений

Найдено изображений: 29

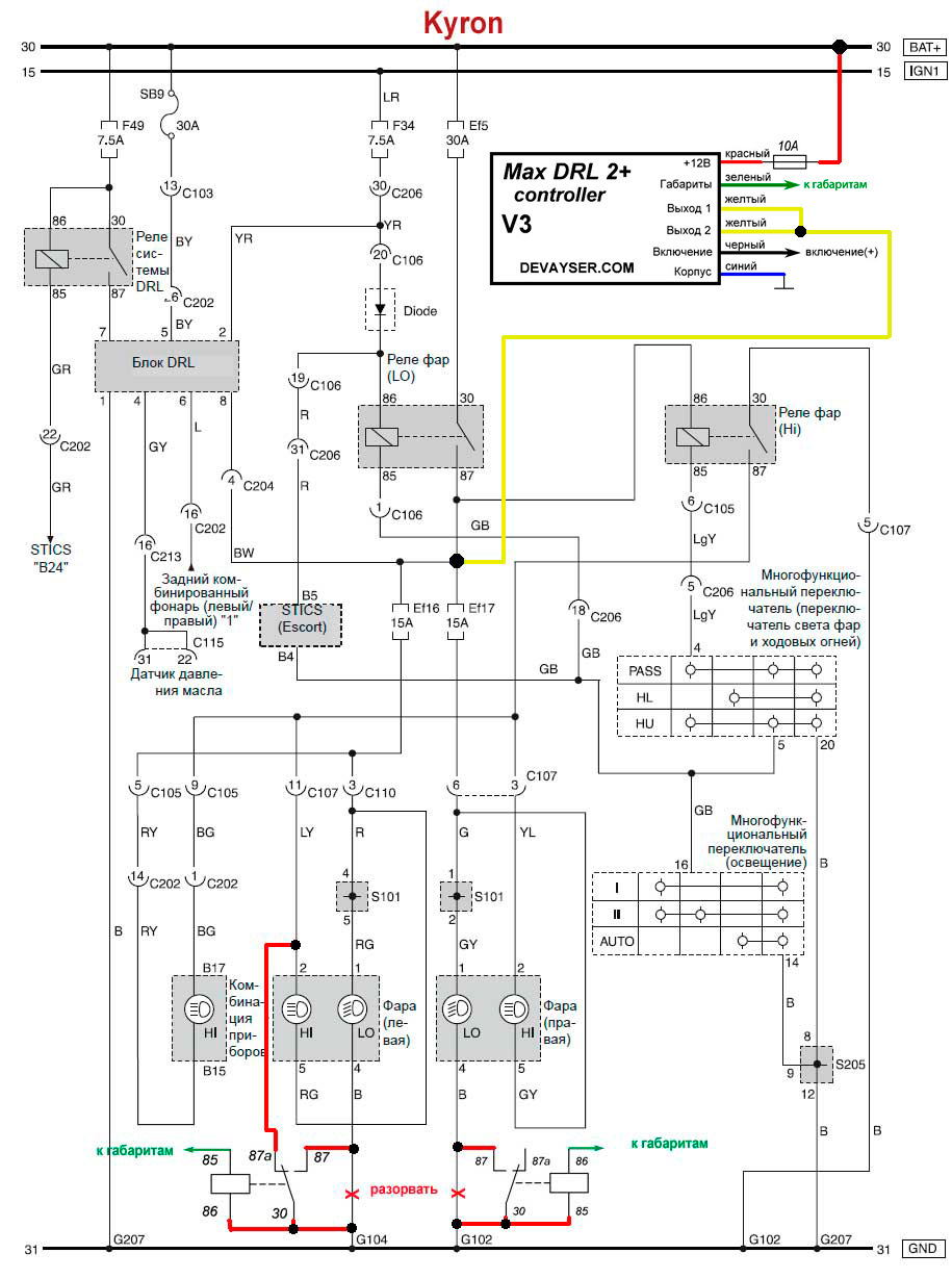
Предохранитель дальнего света на кайрон
201001M Турбокомпрессор MURATO Запчасти на DRIVE2
4894009700 HECU-ESP SSANG YONG Запчасти на DRIVE2
8231009120 ssangyong kyron корпус блока предохранителей купить бу по цене 101.15
8441009000 Реле 12в SSANG YONG Запчасти на DRIVE2
Keep it in stock, it might be useful. Electrical circuits SsangYong Kyron (in th
SsangYong Club, СанЙонг Клуб, СангЙонг Форум - Показать сообщение отдельно - Эле
SsangYong Club, СанЙонг Клуб, СангЙонг Форум - Предохранители и реле New Actyon
Блок предохранителей для SsangYong - купить б/у с авторазбора по минимальной цен
Блоки предохранителей и реле SsangYong Musso, их назначение - FAQ - рабочий вари
Дальний в пол-накала - SsangYong Kyron, 2 л, 2011 года визит на сервис DRIVE2
Дальний как ДХО - SsangYong Kyron, 2,3 л, 2012 года электроника DRIVE2
Дальний как ДХО - SsangYong Kyron, 2,3 л, 2012 года электроника DRIVE2
Дневные ходовые огни - SsangYong Kyron, 2 л, 2013 года стайлинг DRIVE2
ДХО на базе дальнего света - SsangYong Actyon (2G), 2 л, 2012 года тюнинг DRIVE2
ДХО на базе фар дальнего света - SsangYong Rexton (2G), 2,7 л, 2009 года тюнинг
ДХО, установка и подключение - SsangYong Kyron, 2,3 л, 2014 года своими руками D
Крышка SSANGYONG Kyron (07-) блока предохранителей OE - 8231009133 - AvtoALL.Ru
Немного доработал фары - SsangYong Kyron, 2,3 л, 2011 года тюнинг DRIVE2
ПРЕДОХРАНИТЕЛИ В АВТО - SsangYong Actyon (2G), 2 л, 2013 года просто так DRIVE2
Предохранитель - SsangYong Actyon Sports (1G), 2 л, 2007 года своими руками DRIV
При включении ближнего света загорается дальний на SsangYong Kyron - SsangYong K
Проблемы с фарами - SsangYong Kyron, 2,3 л, 2009 года своими руками DRIVE2
Саньенг актион схема предохранителей на русском 60 фото - KubZap.ru
Саньенг актион схема предохранителей на русском 60 фото - KubZap.ru
Схема предохранителей и реле SsangYong Musso - Электрика, автосигнализации, прот
Техническое обслуживание и ремонт, Осторожно Инструкция по эксплуатации SsangYon
Ток утечки - Страница 3 - Техобслуживание и ремонт - Форум Кайрон клана - Страни
Установка ПТФ - SsangYong Actyon (2G), 2 л, 2013 года электроника DRIVE2