Монитор asus vw202nr схема принципиальная электрическая - найдено 60 изображений

Найдено изображений: 60

Монитор asus vw202nr схема принципиальная электрическая
19" ЖК монитор ASUS VW199TL BK с поворотом экрана (LCD, Wide, 1440x900, D-Sub, D
715G6100-P02-002-002H схема
ACER 55.L60V2.002 VP768 AL1717 SMPS SCH Service Manual download, schematics, eep
Acer A231H, блок питания-инвертор ILPI-223 схема
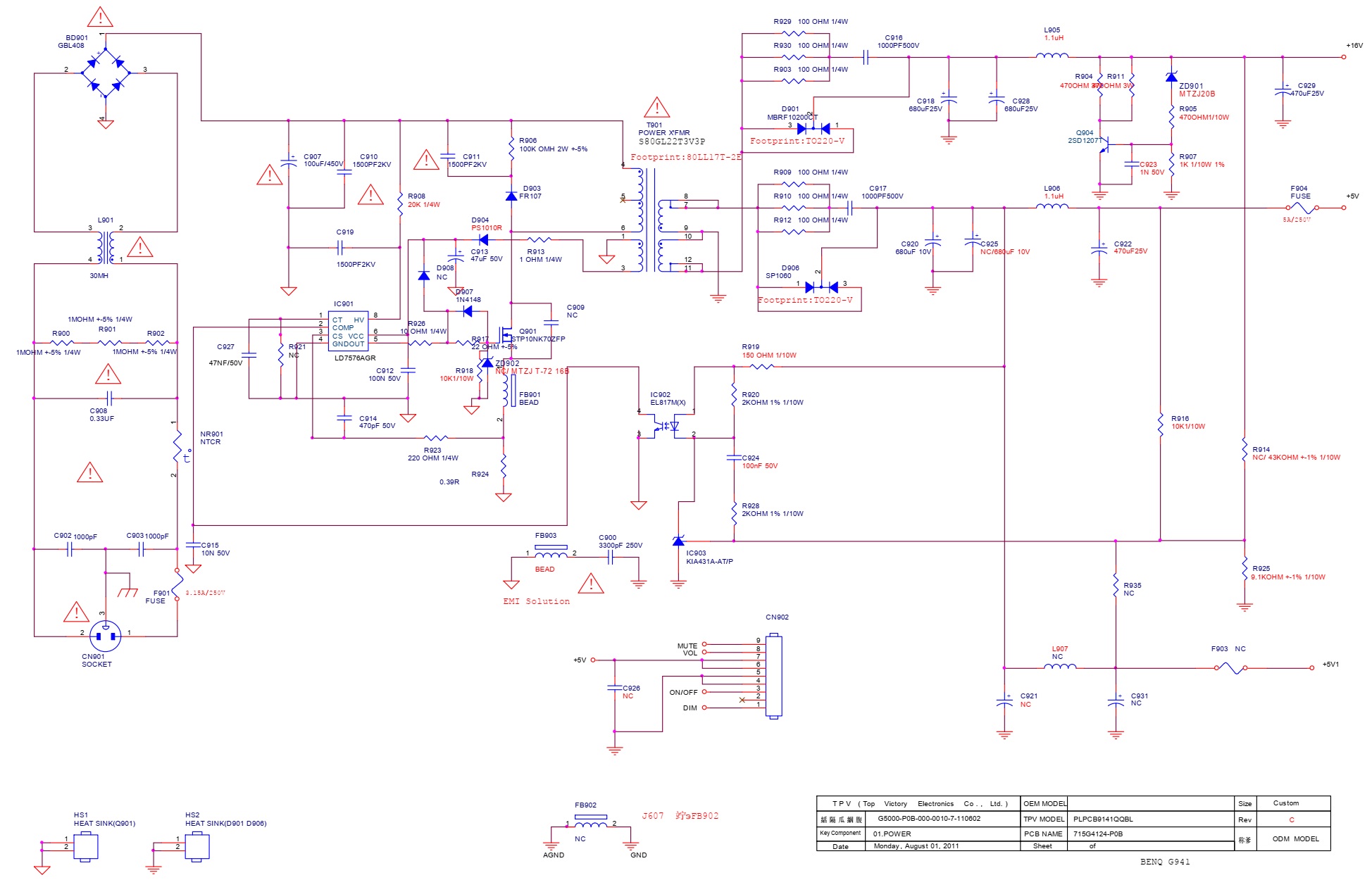
Acer AL1502 схема блока питания-инвертора
ACER AL1716 SCH Service Manual download, schematics, eeprom, repair info for ele
Acer AL1717t схема блока питания
ACER AL533 SM Service Manual download, schematics, eeprom, repair info for elect
ACER H213H H223HQ 144 LCD MONITOR 2008 SM Service Manual download, schematics, e
Acer V193w Service Guide
ASUS EEE PC-1008HA POWER BOARD SCH Service Manual download, schematics, eeprom,
Asus k50ij brak ładowania i zwarcie na płycie * Forum ELVIKOM
Asus vw192_q2738 Руководство по эксплуатации онлайн 4/86 707794
ASUS VW193T INVERTER SCH Service Manual download, schematics, eeprom, repair inf
ASUS VW202B купить в KNS. Монитор ASUS VW202B - цена, характеристики, описание
Asus VW202SR гаснет подсветка * VLab
BENQ XL2410T DELL 4H 0L002 LD7750 TL1451ACN STP7NK80 POWER SCH Service Manual do
Bm1 e213371 плата схема
Dell 7530 - Czy jest sens naprawiać zasilacz do laptopa
eadp-45af b wartości kondensatorów C153,159,203,204
Electro help: ViewSonic - VA-703B - VA-703M MONITOR - SCHEMATIC - POWER SUPPLY_B
Factory Preset Display Modes - Asus VH222S Service Manual Page 12 ManualsLib
General Instruction; Osd (On-Screen Display) Menu - Asus VW195T User Manual Page
Master Electronics Repair !: BENQ 2450HM MONITOR HOW TO ENTER THE SERVICE MODE H
OEM PWPC721HV1J SCH SCH Service Manual download, schematics, eeprom, repair info
Photos 94V 0 ПЛАТА СХЕМА
Russian HamRadio - Радиотелефоны. Приложение 3 - принципиальные схемы PANASONIC,
SAMSUNG 17GL SCH Service Manual download, schematics, eeprom, repair info for el
SAMSUNG BN44-00111B IP-49135A POWER SCH PL Service Manual download, schematics,
SAMSUNG BN44-00183A Service Manual download, schematics, eeprom, repair info for
SAMSUNG P1205J Service Manual download, schematics, eeprom, repair info for elec
SAMSUNG SA-450 MP 1654B SCH Service Manual download, schematics, eeprom, repair
Samsung SyncMaster 17GL
Samsung SyncMaster 17GLM
TEA1530AT AND TL494 715G2538-1-ACE-ASUS VW224U AND VW224S-SCH Service Manual dow
Блок питания ASUS ADP-90CD DB - DRIVE2
Блок питания из ЖК монитора - Песочница (Q&A) - Форум по радиоэлектронике
Делаем ускоренную диагностику монитора. Ремонт торговой электронной техники
Контент Alexu007 - Страница 6 - Форум по радиоэлектронике
Купить используется 4h.0nc02.a01 инвертора и питания Совет для asus vw246h, vk24
Монитор Acer Al1717 - Телевизоры и мониторы - Форум по радиоэлектронике
Монитор ASUS VW224U - принципиальная схема импульсного источника питания
Монитор ASUS VW224U - принципиальная схема импульсного источника питания
Монитор TFT ASUS VW202S 20.1
Мониторы ремонт схемы: найдено 83 изображений
Мониторы ремонт схемы: найдено 83 изображений
Обзор монитора ASUS VW225N - Официальный сайт компании Гаджет Дижитал Зон
Ответы Mail.ru: нужна электрическая схема платы монитора HP L1906
Ответы Mail.ru: Принципиальная схема источника питания монитора ACER AL532.
Плата питания для монитора Asus VW191S 04G550194050 ( LMT VW191S POWER BOARD ) к
Принципиальная схема блока питания монитора ACER-V203W
Ребят монитор ASUS-VW195D, выключается подсветка (см.видео) лампы рабочие сопрот
Ремонт инвертора на ШИМ контроллере TL1451 (аналог ВА9741). Ремонт торговой элек
Судовые мониторы и дисплеи для вывода информации
Схема импульсного блока питания монитора ACER HW193A
Схемотехника и типовые неисправности источников питания мониторов SAMSUNG
Схемотехника и типовые неисправности источников питания мониторов SAMSUNG
Форум РадиоКот * Просмотр темы - samsung 920 nw не включается
Форум РадиоКот :: Просмотр темы - Мелкие вопросы по питанию.

Смотрите также