Контроллер siemens logo 24rc схема подключения - найдено 30 изображений

Найдено изображений: 30

Контроллер siemens logo 24rc схема подключения
47 ideas de PLC en 2021 electricidad y electronica, electricidad industrial, ele
6ED10521CC080BA0 - Siemens ЛОГИЧЕСКИЙ МОДУЛЬ С ДИСПЛЕЕМ, НАПРЯЖЕНИЕ ПИТАНИЯ/ВХОД
75 Electrical engineering ideas in 2021 electrical engineering, electrical circu
Cómo conectar un LOGO de SIEMENS. Conexionado del LOGO. - YouTube
Handleiding Siemens Siemens Logo! (pagina 219 van 278) (Nederlands)
How to use Counter in Siemense logo PLC plc programming tutorial - YouTube
How To Use Logo Soft Comfort 8B3
Innovative Switching & Control - ppt download
Innovative Switching & Control - ppt download
INSTRUMENTACIÓN INDUSTRIAL**** - Página web de ing-orlandophilco
Jasa Programming PLC, TRAINER PLC, JUAL BELI PLC, UPGRADE MESIN PLC, Pemasangan
Niedriger Preis Logo! 230rce 6ed1052-1fb08-0ba0 Anzeige Ps/i/o-logik Modul Sieme
Pin de Arduino Tutorials em Arduino Wifi Automação industrial, Diagrama de circu
PLC - Ankara Telsiz ve Radyo Amatörleri Kulübü Derneği
Plc Drawing Symbols - Electric Bike Blog
Revista de electricidad - LOGO! Simbolos de electricidad, Electricidad, Curso de
Siemens 24 - это передовое оборудование
Siemens Logo 12/24RC PLC 6ED1-052-1HB00-0BA1 Brand New
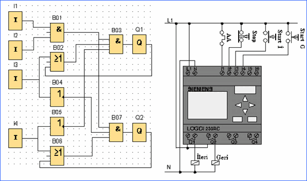
Siemens logo 230rc схема
Siemens logo 230rc схема
Siemens Logo 24tc Wiring
Siemens Logo 8 Smart Home
Siemens Logo Schaltplan Erstellen Einerlei Strauss La - Vrogue.co 77D
Siemens LOGO! 8 в деталях - Часть 1.1 Установка и обзор функциональных блоков.
Выравниватель рядов продукции на Siemens Logo!
Логические модули LOGO! Siemens Сименс
Логические модули LOGO! для промышленной автоматизации
Логический модуль с дисплеем Siemens LOGO! 24
ПЕЧАТь - Стр 9