Часы электроника 4 схема принципиальная электрическая - найдено 60 изображений

Найдено изображений: 60

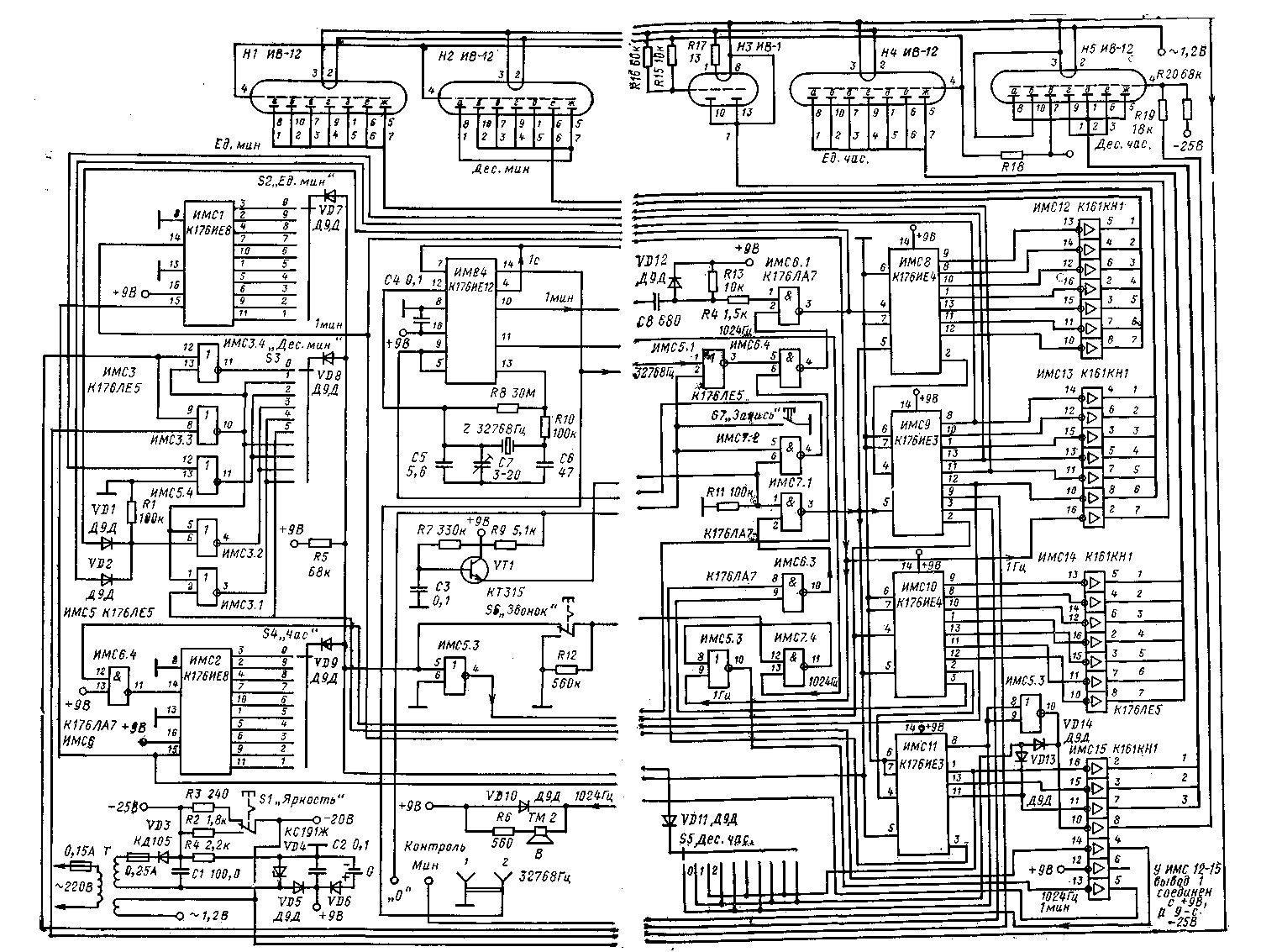
Часы электроника 4 схема принципиальная электрическая
145 серия
ELEKTRONIKA 12-41 CLOCK INSTRUCTION SCH Service Manual download, schematics, eep
Index of /robotron/misc/Elektronika-Uhren
Index of /robotron/misc/Elektronika-Uhren
IVL2-7/5 дисплей часы частотно-регулируемого привода + KA1016HL1 чип драйвер Сов
IVL2-7/5 дисплей часы частотно-регулируемого привода + KA1016HL1 чип драйвер Сов
Kapcsolási rajzot keresek az orosz Elektronika 413 típusú órához Elektrotanya
New Circuits Page 71 :: Next.gr
Radiotech modding labs: Электроника 4.13 схема
Radiotech modding labs: Электроника 7 21 01 ремонт и восстановление Ремонт, Восс
Radiotech modding labs: Электроника Б6-402 схема
Radiotech modding labs: Электроника Б6-402 схема
АВТОМАТ ПОДАЧИ ЗВОНКОВ МОДЕЛИСТ-КОНСТРУКТОР
Восстанавливаем старые часы "Электроника-7" - Версия для печати - PVSM.RU
Восстанавливаем старые часы "Электроника-7" - Версия для печати - PVSM.RU
Восстанавливаем старые часы "Электроника-7" / Habr
Восстановление часов "Электроника 7" / Habr
Зеркало Автомобильное Панорамное Электроника ЗАП 01 ЭЧ Радиодетали в приборах
ИВ 8-as vfd cső! Elektrotanya
Калькулятор Электроника МК-44 Радиодетали в приборах
Клуб Любителей Калькуляторов - Инструкции к микрокалькуляторам - Datasheet - Cal
Контент Ahneus - Страница 9 - Форум по радиоэлектронике
Контент alexon - Страница 9 - Форум по радиоэлектронике
Контент SVN - Страница 394 - Форум по радиоэлектронике
Контент TrackLine - Форум по радиоэлектронике
между разрядами часов и Часы, Электроника
МРБ 1105.(1987).doc - Стр 7
Музей электронных раритетов - Сокращения - УУ-1
Наручные часы Casio A-158. Назад в молодость - ностальгии пост
Ответы Mail.ru: Подскажите, как подключить автомобильное зеркало-часы Полесье -
Ответы Mail.ru: Часы на ИК1901. Обмотка питающая микруху через 1МОм, что за хими
Ремонт Часов На Вакуумно-Люминисцентной Индикации - Песочница (Q&A) - Форум по р
Схемы часов ссср
Форум РадиоКот * Просмотр темы - книгу по скану страницы: схема часов "Электрони
Форум РадиоКот * Просмотр темы - Миф о советской электронике
Форум РадиоКот * Просмотр темы - Помогите с советскими часами электроника 12-41
Форум РадиоКот * Просмотр темы - Часы на люминесцентных индикаторах.
Форум РадиоКот * Просмотр темы - Часы на люминесцентных индикаторах.
Форум РадиоКот * Просмотр темы - Часы на люминесцентных индикаторах.
Форум РадиоКот * Просмотр темы - Часы Электроника Б6-403 горят лишние сегменты.
Форум РадиоКот * Просмотр темы - Часы Электроника Г9.04 засветка сегмента
Форум РадиоКот :: Просмотр темы - Настенные часы времен СССР ЭЛЕКТРОНИКА 7
Форум РадиоКот :: Просмотр темы - Часы на К176ИЕ18-ИВ-22
Форум РадиоКот :: Просмотр темы - Часы на люминесцентных индикаторах.
Форум РадиоКот :: Просмотр темы - Часы Электроника 11-06; проблема с индикатором
Форум РадиоКот :: Просмотр темы - Часы Электроника 6.15
Форум РадиоКот :: Просмотр темы - Часы электроника Г9.02
Часовой форум Watch.ru - Показать сообщение отдельно - Инструкции для часов Элек
Часовой форум Watch.ru - Показать сообщение отдельно - Уголок яйцеловов. Обсужда
Часы "электроника 7-06". Не Получается Установить Время - Бытовая техника - Фору
Часы электроника 7 схема принципиальная - Basanova.ru
Часы-термометр-будильник на Atmega8 ИВ-11 (разработка) - Сообщество "Электронные
Экран для часов "Старт-7231" или ностальгии пост
Электрическая схема часов электроника - Схемы 2
Электроника часы Г9.02 - простота и надежность часов электронных настольных СССР
Электронные Часы "Электроника-4" - Бытовая техника - Форум по радиоэлектронике
Электронные часы схема электроника 7 21 - Фото подборки 3
Электронные часы электроника 2 08 схема Shema, Diagram, Projects to try
Электронные часы электроника 2 08 схема в 2021 г Электронная схема, Электроника,